① It adopts an efficient and precise sub-pixel algorithm, with a minimum resolution of 0.5 microns.
② Two communication methods, RS-422/RS-485, can be used in combination with multiple units.
③ Large range, small range, and precise measurement distance;

The LL - A series laser Displacement Sensors by XAORI Technology are advanced devices tailored for precise distance measurement.
High - precision Detection: Leveraging an efficient and accurate pixel algorithm, these sensors can achieve a minimum detection accuracy of up to 0.5μm. This enables both large - range and small - range measurements with exceptional precision.
Versatile Communication: Equipped with RS - 422/RS - 485 communication methods, they allow for multi - unit networking. This feature is particularly useful in complex industrial setups where multiple sensors need to be integrated and synchronized.
Measurement Ranges: Available in various models with different measurement center distances, such as 30mm, 50mm, 80mm, 120mm, and 250mm, catering to diverse application requirements.
Power Supply: Operate on 24VDC ±10%, ensuring stable performance.
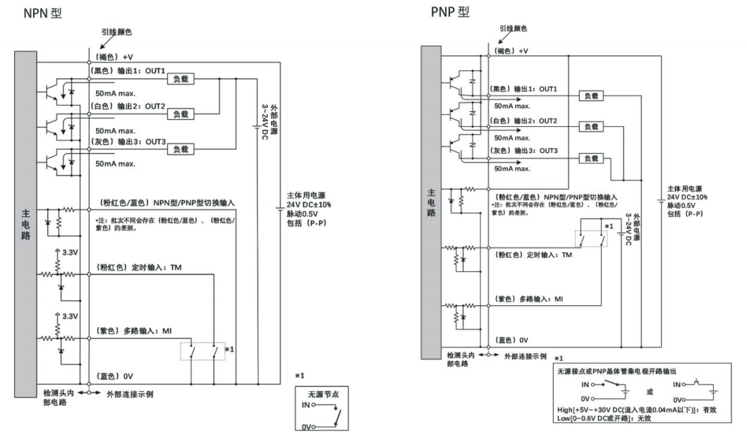
Output Characteristics: Offer both NPN and PNP output types. The analog output has a voltage range suitable for different control systems, and the ON - OFF output can handle specific load currents and voltages, with built - in protection against over - current and short - circuits.
Environmental Adaptability: Can function in an ambient temperature range of 10 - 40°C (non - condensing) and a relative humidity of 35 - 85%RH. They also meet relevant electromagnetic compatibility standards, making them suitable for various industrial environments.
Clear input/output circuit diagrams are provided for easy wiring. When installing and wiring, it is important to separate the sensor cable from other power cables by at least 100mm to prevent interference, ensuring the reliable operation of the sensors.

Please separate the sensor cable from other wiring (bundle them in parallel) and keep a distance of more than 100mm. Also, please separate it from the wiring of the high-voltage circuit and the power circuit. In unavoidable circumstances, please use grounded wire conduits or other conductive materials as barriers.
When installing, please keep as far away as possible from noise-generating machines, such as high-voltage lines, high-voltage equipment, power lines, power equipment, large switch surge generating equipment, welding equipment, frequency converters, motors, etc.
When fixing the detection head for cable wiring, do not use a force above 29.4N to pull the cable. In addition, when in use, please have an interval of more than 20mm and a minimum bending radius of more than 30mm.
